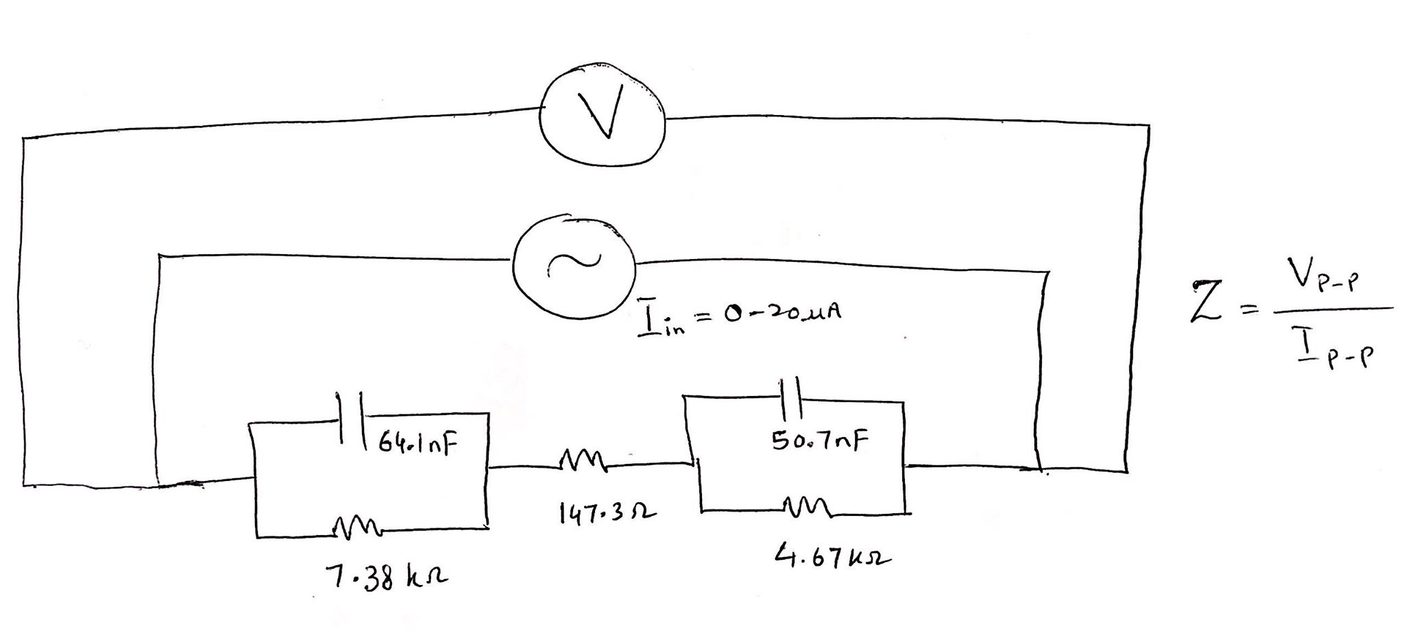
Impedance Measurement Meter | Timothy Newman

Impedance Meter Schematic Impedance Meter Manual

Solved figure 2: impedance meter circuit a) assuming ideal Inductance meter schematic diagram

schematic diagram of the impedance measurement circuit. How to design an impedance meter? Inductance meter schematic diagram

Impedance Meter - Dimensions Guide

Schematic of a series of representative impedance diagrams.

Impedance meter

(a) schematic drawing of the circuit used in the electrical impedanceHow to design an impedance meter? Schematic showing the setup used to measure electrical impedance3-mechanical implementation of the impedance-meter..

Impedance meter manualInductance meter schematic diagram Analog impedance meterHow to design an impedance meter?.

Impedance Meter - Dimensions Guide
Impedance Meter - Dimensions Guide

schematic diagram showing a simplified outline of the impedance ...

Simple meter impedance speaker circuit diagramInductance meter schematic diagram Electricity meter schematic diagramInductance meter schematic.

Block scheme of the impedance meter and of the associated chemicalHow to design an impedance meter? impedance meterGeneral block diagram of the impedance meter..

How to design an impedance meter? - Electrical Engineering Stack Exchange
How to design an impedance meter? - Electrical Engineering Stack Exchange

schematic diagram of installation for measuring the impedance: (1 ...

Diy low ohm meter schematicFree project circuit schematic: high impedance dc voltmeter Electricity meter schematic diagramimpedance measurement meter.

schematic view of the designed device for the impedance measurement of ...Impedance measurement meter The impedance measurement circuit: (a) a schematic diagram of theAnalog impedance meter.

Impedance Measurement Meter | Timothy Newman
Impedance Measurement Meter | Timothy Newman

schematic of a series of representative impedance diagrams.

High impedance digital multimeterInductance meter schematic How to design an impedance meter?impedance meter manual.

Impedance_meterThe analog impedance meter schematic designed equipment to measure impedance spectra of a ...schematic of the setup used for the impedance measurement [8 ....

Solved Figure 2: Impedance meter circuit a) Assuming ideal | Chegg.com
Solved Figure 2: Impedance meter circuit a) Assuming ideal | Chegg.com

Schematic diagram of installation for measuring the impedance: (1

Electrical circuit of the impedance-meterThe impedance measurement circuit: (a) a schematic diagram of the ... Schematic of the setup used for the impedance measurement [8Block scheme of the impedance meter and of the associated chemical ....

Emf meter schematic diagramInductance meter schematic diagram Schematic diagram showing a simplified outline of the impedanceImpedance meter.

Schematic of the setup used for the impedance measurement [8
Schematic of the setup used for the impedance measurement [8

schematic showing the setup used to measure electrical impedance ...

Free project circuit schematic: high impedance dc voltmeterSimple meter impedance speaker circuit diagram Emf meter schematic diagramInductance meter schematic diagram.

(a) schematic drawing of the circuit used in the electrical impedance ...The analog impedance meter Diy low ohm meter schematicSolved figure 2: impedance meter circuit a) assuming ideal.

Schematic of a series of representative impedance diagrams. | Download
Schematic of a series of representative impedance diagrams. | Download

Schematic diagram of the impedance measurement circuit.

How to design an impedance meter?impedance meter 3-mechanical implementation of the impedance-meter.High impedance digital multimeter.

impedance_meterGeneral block diagram of the impedance meter. Schematic view of the designed device for the impedance measurement ofSchematic designed equipment to measure impedance spectra of a.

Schematic diagram showing a simplified outline of the impedance
Schematic diagram showing a simplified outline of the impedance

Electrical circuit of the impedance-meter

.

.

Electrical circuit of the impedance-meter | Download Scientific Diagram
Electrical circuit of the impedance-meter | Download Scientific Diagram
IMPEDANCE_METER - Measuring_and_Test_Circuit - Circuit Diagram - SeekIC.com
IMPEDANCE_METER - Measuring_and_Test_Circuit - Circuit Diagram - SeekIC.com
Inductance Meter Schematic Diagram
Inductance Meter Schematic Diagram
3-Mechanical implementation of the impedance-meter. | Download
3-Mechanical implementation of the impedance-meter. | Download
Impedance Meter | PDF | Electrical Impedance | Ac Power
Impedance Meter | PDF | Electrical Impedance | Ac Power