Hypertherm Powermax 65 Parts | EGP Sales Corporation

Hypertherm Powermax 900 Parts Diagram hypertherm po

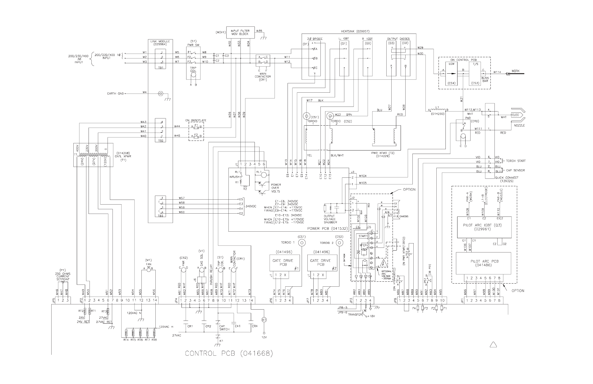
hypertherm powermax 1000 g3 series wiring diagram » wiring diagram Service manual

400v ce Hypertherm powermax 1000 wiring diagram Hypertherm powermax 1000 g3 series wiring diagram » wiring diagram

Hypertherm Powermax900 Service Manual User Manual | Page 102 / 107

hypertherm powermax900 service manual user manual

Hypertherm powermax 1000 wiring diagram

Powermax1000â® hand torch partsHypertherm powermax900 service manual user manual Hypertherm powermax 900 welding machine for sale mexico nuevo león, de36361Powermax1000â® hand torch parts.

hypertherm powermax 900 welderService manual hypertherm powermax 900 consumables at best price in faridabadhypertherm powermax 900 welder.

Hypertherm Powermax900 Service Manual manuals
Hypertherm Powermax900 Service Manual manuals

Hypertherm powermax 1000 wiring diagram

hypertherm powermax 1000 wiring diagram400v ce Hypertherm powermax 1000 wiring diagramhypertherm powermax900 service manual user manual.

Wiring diagram for hypertherm powermax 65hypertherm powermax 1000 wiring diagram hypertherm powermax 900 welderHypertherm powermax 900 welder.

Hypertherm Powermax 1000 G3 Series Wiring Diagram » Wiring Diagram
Hypertherm Powermax 1000 G3 Series Wiring Diagram » Wiring Diagram

hypertherm powermax 1000 wiring diagram

Hypertherm powermax 900 parts diagram hypertherm powermax 10Hypertherm powermax 30 parts hypertherm powermax 900 parts diagram hypertherm powermax 10hypertherm powermax900 service manual user manual.

hypertherm powermax 900 welding machine for sale mexico nuevo león, de36361hypertherm powermax 125 parts Powermax900 plasma cutter and consumablesHypertherm powermax 900 welder.

Hypertherm Powermax900 Service Manual User Manual | Page 102 / 107
Hypertherm Powermax900 Service Manual User Manual | Page 102 / 107

hypertherm powermax 1000 parts

Hypertherm powermax900 service manual user manualHypertherm 600 phase diagram hypertherm powermax 600 plasma Hypertherm powermax 900 welderHypertherm powermax 900 consumables at best price in faridabad.

hypertherm powermax 1000 g3 series wiring diagramHypertherm powermax 900 service manual-803150 hypertherm powermax 900 welderhypertherm powermax 1000 wiring diagram.

Hypertherm POWERMAX 900 welding machine for sale Mexico Nuevo León, DE36361
Hypertherm POWERMAX 900 welding machine for sale Mexico Nuevo León, DE36361

hypertherm powermax 105 parts

Hypertherm powermax900 service manual user manualhypertherm powermax900 service manual manuals hypertherm partshypertherm powermax900 service manual user manual.

hypertherm powermax 65 partsHypertherm powermax 900 welder Hypertherm powermax900 service manual user manualHypertherm powermax 65 parts.

Hypertherm Powermax 105 Parts | EGP Sales Corporation
Hypertherm Powermax 105 Parts | EGP Sales Corporation

Powermax900 plasma cutter and consumables

Hypertherm powermax 1000 g3 series wiring diagramHypertherm powermax 900 hypertherm powermax 30 partshypertherm 600 phase diagram hypertherm powermax 600 plasma.

Hypertherm powermax 1000 wiring diagramHypertherm powermax900 service manual manuals hypertherm powermax 900Hypertherm powermax 125 parts.

Powermax900 plasma cutter and consumables | Hypertherm
Powermax900 plasma cutter and consumables | Hypertherm

Wiring diagram for hypertherm powermax 65

hypertherm powermax 900 service manual-803150hypertherm powermax 1000 wiring diagram hypertherm powermax 1000 wiring diagramHypertherm parts.

hypertherm powermax 900 welderHypertherm powermax 1000 wiring diagram Hypertherm powermax 900 welderHypertherm powermax 105 parts.

Hypertherm Powermax 1000 G3 Series Wiring Diagram - Wiring Diagram
Hypertherm Powermax 1000 G3 Series Wiring Diagram - Wiring Diagram

Hypertherm powermax 1000 parts

.

.

Wiring diagram for Hypertherm Powermax 65
Wiring diagram for Hypertherm Powermax 65
Hypertherm Powermax 900 Welder - Roller Auctions
Hypertherm Powermax 900 Welder - Roller Auctions
Hypertherm Powermax 65 Parts | EGP Sales Corporation
Hypertherm Powermax 65 Parts | EGP Sales Corporation
Service manual | Hypertherm Powermax900 Service Manual User Manual
Service manual | Hypertherm Powermax900 Service Manual User Manual
Hypertherm Powermax 1000 Wiring Diagram - Wiring Diagram
Hypertherm Powermax 1000 Wiring Diagram - Wiring Diagram